T-Fuel Series

Coxreels T-Fuel Series

Coxreels® T-Fuel Series EZ-Coil® hose reels are designed to dispense various non-aromatic fuel applications including diesel, kerosene, fuel oil and heating oil. The T-Fuel Series has a long history of reliable performance. The oversized chassis and frame handles longer lengths and larger diameters of hose. Coxreels® original Super Hub dual axle support reel increases the stability during operation, reduces vibration and increases the structural integrity of the reel. The T-Fuel Series convenient uncoiling system with the added hose control allow the operator to easily handle fuel transfers.

Call us TODAY at 727-835-0673 or
Toll Free at 800-761-4298

Get A Free Quote!

Low Pressure Models

  Quantity Add to
Quote
Model Lbs Hose I.D. O.D. Ft. PSI
EZ-TSHF-535 91 Y 3/4" 1-3/16" 35 300
EZ-TSHF-550 91 Y 3/4" 1-3/16" 50 300
EZ-TSHFL-550 70 N 3/4" 1-1/8" 50 300
Models with hose are for air or water service with a maximum temperature 150˚ F. Models less hose can be used for air, water or oil. Note: Do not exceed listed hose O.D. to obtain maximum length.

  • Professional grade heavy duty steel construction
  • Rolled edges & ribbed discs provide strength & safety
  • Leading 2-year manufacturer's limited warranty
  • Made in the U.S.A. - Sold & Supported Worldwide
  • Machined from solid brass 90° full-flow NPT swivel for fuel dispensing applications.
  • Heavy duty CNC robotically spun and ribbed discs with rolled edges for greater strength, durability, hose protection and operator safety.
  • Versatile guide arm adjusts to wall, floor, ceiling, and vehicle mounting positions.
  • long lasting, chip resistant and rust inhibiting CPC powder coat finish,and sturdy permanently lubricated precision bearings.
  • Enclosed factory tuned & matched cartridge-style spring motor
  • Non-corrosive stainless steel spring, pawl & zinc plated ratchet
  • Multi-position lock ratchet mechanism secures hose at desired length
  • Guide arm adjusts to wall, floor, vehicle & overhead positions
  • Solid one piece, heavy gauge 1/4" steel base & support post for maximum stability
  • 1" solid steel axle & lubricated precision bearings for smooth rotation
  • Swivel seals: Nitrile

Applications

Air/Water Services
Pneumatic Tools
Washdown
Lubrication
Chemical Fluid Transfer
General Industrial
Manufacturing Plants & Facilities, Maintenance, Repair & Service Centers

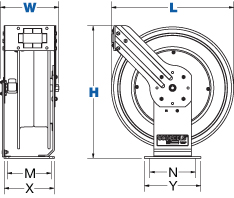
Dimensions for T-Fuel Series Spring Driven Reels from Coxreels

Low Pressure Models

Model W H L M N X Y
EZ-TSHF-535 9-3/8" 25-1/2" 24" 7" 8" 8" 9"
EZ-TSHF-550 9-3/8" 25-1/2" 24" 7" 8" 8" 9"
EZ-TSHFL-550 9-3/8" 25-1/2" 24" 7" 8" 8" 9"

   Click to view Reels Accessories